INERT GAS SYSTEM
Explosive Triangle And Inert Gas
The
conditions necessary. for an explosion to occur are: -
o
Source of IGNITION e.g. static electricity
o
FUEL e.g. hydrocarbon gas.
o
OXYGEN in correct proportion to support combustion of flammable gases.

Control
or remove any ONE of the above and an explosion cannot occur.
OXYGEN
is the easiest to control on a tanker having an Inert Gas System.
An
INERT TANK ATMOSPHERE can be obtained by maintaining the OXYGEN content of the
atmosphere below 11.5% (AS PER ISGOT 8.0%).
A
properly inerted ATMOSPHERE is therefore a SAFE ATMOSPHERE.

We
have to consider the tank atmosphere which. may contain any one of three gases
such as hydrocarbon gas, inert gas and fresh air.
Then
we have to pay attention to hydrocarbon gas and oxygen in fresh air which are
necessary to explosion. As oxygen content in fresh air is approx. 21 % we can
draw the graph shown in Fig. 1-1 which shows hydrocarbon gas with the range
from 0% to 100% in the vertical axis and oxygen content with the range from 0%
to 21% in the horizontal axis.
Point
"A" in Fig. 1-1 means the tank atmosphere which consists of 100%
hydrocarbon gas.
Point
"O" means the tank atmosphere which consists of 100% inert gas.
Point
"E" means the tank atmosphere which consists of 21 % oxygen.
From
the above we can consider any kind of tank atmosphere which consists of three
gaseous bodies such as hydrocarbon, inert gas and fresh air according to this
Fig. 1-1. This means, in other words,,that the tank atmosphere lies within the
triangle AOE.
Under
the tank atmosphere which consists of hydrocarbon gas, inert gas and fresh air,
the range of mixture of oxygen and hydrocarbon gas which can be ignited by an
external ignition source is called the "
Volume
percentage of hydrocarbon gas and oxygen are called "Oxygen content"
and "Hydrocarbon gas content".
This
explosive range is shown in Fig. 1-1, the area surrounded by points CGD (Flammable
envelope).
The
highest point of hydrocarbon and oxygen mixture gas in this area is called the
Upper Explosive Level (UEL) and the lowest point is called the Lower Explosive
Level (LEL).
Fig.
1-1
No
ignition occurs in the area which is outside the explosive range because of
inadequate mixture of hydrocarbon gas and oxygen. This area is called the
"
A.
Too Little Oxygen
Assuming
that the oxygen content is less than the point G (less than 11.5%) no explosion
can occur even regardless hydrocarbon gas content in a tank. So we call this
area surrounded by points AOFB as Too Little Oxygen condition.
The
purpose of I.G.S. installation and the main points of I.G.S. operation is to
ensure the tank atmosphere is in the Too Little Oxygen condition.
B.
Over Rich and Too Lean
Compared
with the volume of oxygen, the volume of hydrocarbon gas is too much in the
area surrounded by points BGC and no explosion occurs in this area so referred
to as the Over Rich condition. On the other hand, the area surrounded by points
GFED shows that the volume of hydrocarbon gas is too little compared with the
volume of oxygen and no explosion occurs in this area called the Too Lean condition.
How to Use the
The
tank atmosphere which is not supplied with inert gas is to be considered on the
line AE (Fig. 1-1) and it may come into the explosive range (Line CD). The
vessel which is installed with I.G.S. can keep the tank atmosphere within the
Too Little Oxygen condition by supplying inert gas.
The
hydrocarbon composition of crude oil is various between the different grade and
there is only a small variation in their explosion range. Therefore, in order
to have the desired margin of safety, the point UEL is taken as 11.5% by
hydrocarbon, LEL is 1.3% and the point of too little oxygen is 11.5% so we can
draw boundary of the explosive range as shown in Fig. 1-2.
Keep tank atmosphere less than 8% of oxygen
content
Fig.
1-2. is a magnified view of Fig. 1-1. (Area of hydrocarbon content from 0% to
17%).

When
we want to know what the tank atmosphere condition is, we find it out by
plotting oxygen and hydrocarbon content as in Fig. 1-2.
Assuming
at the end of tank washing, a cargo tank atomosphere is measured and found to
contain 7% hydrocarbon and 8% oxygen. Plotted on the Explosive Range Diagram
this is point (I). If gas freeing was then carried out, the hydrocarbon content
would decrease and the oxygen content increase, while passing along line IE.
However, on reaching point K on the flammability envelope the tank atomosphere
enters the explosive range and remains in this condition to point L. In order
to avoid such a condition, it is therefore necessary to purge with Inert Gas
before gas freeing with air. Purging the tank atomosphere with good quality
Inert Gas will reduce the oxygen content as well as reducing the hydrocarbon
content, passing along line IJ. Once at J i.e. 2% hydrocarbon and 5% of oxygen,
the gas freeing operation can begin and the addition of air will them keep the
tank atomosphere outside the explosive range by moving along line JE.
If we
draw a line from point E to the tangent point of explosive range so we get the
line EM which is called the Critical Dilution Line. Since the tank atmosphere
comes below the Critical Dilution Line there is no possibility of explosion
when we supply fresh air into the tanks.
We
must therefore carry out gas freeing after confirmation of the tank atmosphere
that it is below the Critical Dilution Line after measuring the tank oxygen
content and hydrocarbon content.
COMPONENTS OF INERT GAS
The
exhaust gas which is produced by the boiler is called Flue Gas. In the
scrubber, the flue gas is cleaned and cooled and with an oxygen content less
than 5% is known as Inert Gas. The equipment which supplies the Inert Gas to
the cargo tanks is known as the Inert Gas System.
Automatic
Combustion Control (ACC) is the equipment which controls the rate of fuel oil
and fresh air automatically in the combustion process.
This
equipment should be kept in proper operating condition in order to ensure the
supply of Inert Gas of the desired quality. When operating cargo or ballast
pumps, communication with the engine room must be maintained. This is particularly
important when stopping or reducing the speed of cargo pumps, so that the
combustion control operation must be checked to ensure Inert Gas oxygen content
is maintained below 5%.
Components
of Inert Gas (Fig. 1-3)
Flue Gas Inert
Gas
Temperature 300-400 Sea Water Temp. +5 C
Oxygen 2-5% 2-5%
Carbonic
acid gas 13-15% 13-15%
Sulphur 0.3% 0.03%
Vapour 250 mg/ml (max) 8 mg/ml (max)
Mist 95%
of elimination
Nitrogen Balance Balance
TANK
ATMOSPHERE AND INERT GAS
Discharging
Cargo (Fig.1-4)
Ullage space in a cargo tank before discharging
cargo is generally OVER RICH because of the high content of hydrocarbon gas.
Reference Fig. 1-4. Assume H is a typical content of
oxygen and hydrocarbon before discharge begins.
Consider two conditions:-
o
Discharging without Inert Gas
o
Discharging with Inert Gas
In the first case, the hydrocarbon content will
decrease and the oxygen content increase along the line HE, when at the end of
discharge of, that tank, the atmosphere could be flammable.
In the second case, both hydrocarbon and oxygen
contents will decrease towards J and the tank atmosphere will therefore remain
outside the explosive range.
On Passage
(Fig. 1-4)

In the absence of positive pressure on a cargo tank
either loaded or in ballast air may enter through the breather valve due to
climatic changes.
Loaded Passage
On the loaded passage, hydrocarbon gases likely to
vaporize so that the ullage space is generally in an OVER RICH condition.
However, with air coming in through the breather valve, the hydrocarbon content
will be reduced and could possibly reach flammable levels. With Inert Gas
protection this can be avoided by maintaining a positive pressure throughout
the loaded passage.
Ballast
Passage
Cargo tank as supplied with good quality inert gas
while discharging cargo are in the TOO LITTLE OXYGEN condition when the vessel
leaves port. If tanks are kept under positive pressure throughout the ballast
passage, the tank atmosphere will not enter the explosive range. Therefore, it
is necessary to record the tank pressure regularly and if necessary, top off
with good quality inert gas.
Tank Cleaning
(Fig. 1-5)

If good quality Inert Gas i.e., below 5% of OXYGEN
is supplied when discharging cargo, the tank atmosphere will be inert and
therefore ready for tank cleaning. However, positive pressure needs to have
been maintained between the discharging and tank cleaning. If not, air car
enter the cargo tanks thereby increasing the Oxygen content along line HI.
Before starting tank cleaning, oxygen measurements should be made to confirm it
is below 8%. If over 8%, then purging is necessary to reduce the oxygen content
from I to J. Fig. 1-5
Deballasting.
(Dirty – deballasting Heavy weather ballast) (Fig. 1-6)

Assuming H is point representing a typical tank
atmosphere prior to deballasting. If NO inert gas supplied during deballasting,
then the tank atmosphere will go along line HE, passing through the explosive
range. If however, Inert Gas is supplied during this operation then the tank
atmosphere moves along line HI and therefore outside the flammable envelope. Fig.
1-6
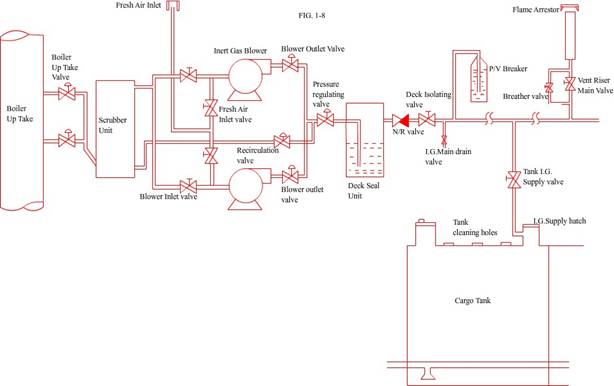
OUTLINE OF INERT GAS SYSTEM
Basic
Equipmentof Inert Gas System
I.G.S
equipment is provided with certain safety features and is designed to clean,
cool and supply flue gas under pressure and of satisfactory quality for
delivery to the cargo tanks. I.G.S. consists of the following.

Flue
gas generated from the boiler flows through the Boiler Up-take Valve and into
the Scrubber. There, the gas is cooled down and washed by sea water supplied by
the Scrubber Water Pump. Leaving the Scrubber the gas passes through the
Demister where water droplets are moved before entering the Blower suction. On
the discharge side of the Blower, oxygen content and temperature of the flue
gas are monitored. High oxygen content and high temperature activate alarms.
Inert
Gas from the blower flows in to the Deck Seal through Inert Gas Pressure
Regulating Valve.
The
Deck Seal isolates the boiler up-take from the deck line by using sea water and
to prevent the backflow of the hydrocarbon gas. Inert Gas from the deck seal
flows into the deck supply line through the Non-retum Valve and Deck Isolating
Valve and then enters each tank through the Inert Gas Supply Valve (some
vessels do not have individual valves). The Inert Gas System can also be used
for Gas Freeing by opening the Fresh Air Inlet Valve.
The
P/V breaker is installed to protect the cargo tanks from excessive pressure or
vacuum.
Functions of the Inert Gas System Unit
BOILER
UP-TAKE VALVE
Flue
Gas generated by the boiler flows into the Scrubber Unit through the Up-Take
valve. This valve is opened by remote control on Blower start up and when the
Blower stops this valve has to be closed in order to avoid Flue Gas entering
the Scrubber Unit.
SCRUBBER
UNIT
This
is installed to clean and cool the flue gas and to reduce the sulfur dioxide
(SO2 ) from the flue gas. The temperature and composition of the flue gas is
schown in Components of Inert Gas (Fig. 1-3).
DEMISTER
The
demister is provided to remove water droplets contained in the inert gas which
have passed through the scrubber. Since the inert gas is cooled and cleaned at
the scrubber, the gas at the scrubber outlet inevitably contains water droplets
as a result of its direct contact with the sea water used for cleaning it and
could thus overload the blower and damage and increase corrosion on the blower
impellers.
BLOWER
Total
blower capacity is more than 125% of total cargo pumps capacity. And
combination of two blowers is;-
o
two blowers together giving 125% (i.e. 62.5% each) of total cargo pump
capacity. Thus two blowers must be used during normal cargo discharging
o
one blower having 125% capacity plus one standby/ auxiliary with either
30/ 60/ 125% of total cargo pump capacity
DECK
SEAL UNIT
The
IGS connects the boiler up-take indirectly with the cargo oil tanks, and while
the system is not in operation, the backflow of the oil vapour under pressure
from the cargo tanks must be protected against. The Deck Seal is provided for
this purpose.
RECIRCULATION
LINE
This
allows the blower to operate when the pressure.regulating valve is being
closed. Gas flows back through this line to the Scrubber and thus avoids
pressure built up on the discharge side of the blower.
P/V
(Pressure Vacuum) BREAKER
Under
normal conditions, the Breather Valve controls the cargo tank pressure/vacuum
automatically when the I.G.S. is off. As a back-up safety device, a
Pressure/Vacuum Breaker is fitted to the deck main piping and is designed to
release pressure from this piping and cargo tanks to atmosphere in the event
that the Breather Valve capacity is exceeded while operating the I.G.S.
The
P/V Breaker does not have any moving parts and is filled to be required level
by oil or fresh water containing an antifreeze solution.
Detectors
OXYGEN
ANALIZER (FIXED TYPE)
This
contineously measures the oxygen content of the flue gas on the discharge side
of the blowers. Oxygen content is effected by the combustion efficiency of the
Boiler, or the proportion of surplus air. The alarm lamp flickers when the
oxygen content is more than 5% and the alarm buzzer sounds when the content is
more than 8%.
THERMOMETER
This
is fitted on the blower outlet and continuously measure the temperature of the
inert gas. The temperature of the inert gas at the blower suction is normally
5C higher than the scrubber water but it is increased while passing through the
blower. The temperature alarm lamp flickers at 60C and the blower is tripped at
65C.
PRESSURE
DETECTOR
This
is fitted in order to measure the pressure in the main inert gas line common
with all cargo tanks. The pressure at the outlet of the deck seal is detected
by the pressure transmitter, which operates the pressure switch in the cargo
control room panel.
TANK
INERT GAS SUPPLY VALVE and VENT RISER MAIN VALVE
When
using the Inert Gas System, Tank Supply Valve (if fitted) should be open and
the Vent Riser Main Valve should be closed.
OPERATION AND APPLICATION OF INERT GAS SYSTEM
One
cycle of tanker operation is as shown in Fig. 2.
Tank
atmosphere is safe from explosion with an O2 content of below 8%.
The
alarm buzzer of the O2 content analyzer will sound when the O2 content is more
than 8% and the supply to the deck seal will stop and the recirculation valve
will open. However, in normal operation, O2 content of supplied I.G. should be
below 5%.
Tank
atmosphere is most important therefore measurement of O2 content and
Hydrocarbon gas should be carried out with strict attention according to
sections.
TANKER
OPERATION/ONE CYCLE

GENERAL
OPERATION AND PRECAUTIONS
Generally,
operating procedure for I.G.S. is as undermentioned.
However,
operation of I.G.S. should be considered in conjunction with individual maker's
instruction manuals.
General Operating Procedure
|
Starting procedure |
General check & confirmation |
|
Communication with engine department |
(1) a.Inform
engineers when system will be required. (2hrs notice) b.Check
: Possibility of soot blowing before starting the I.G.S. c.Confirming
generater capacity/readiness for operating blower and scrubber water pump. |
|
Scrubber
water pump START (at least half hour before starting system – dpending on
Manufacturer) |
(2) a.
Confirm Cooling water supply. b.Check
: Flow rate by flow meter or pressure gauge. c.Confirm
Scrubber drainage by visual inspection. |
|
O2 Analyzer switch ON |
(3) a. Check
: Zero adjust and Span adjust. Confirm
: Supply water. b. A
characteristic of the magnetic 02 analyzer is that it reaches normal measurement condition in about 2
hours after being switched on. Therefore,
it should be switched on at least 3 hours before starting the I,G.S. |
|
Control panel switch ON |
(4) a.
Lamp and buzzer test should be carried out to confirm electric circuit is operating correctly |
|
CONFIRM |
(5) a. Open
: Scrubber drain valve Demister
drain valve (Where appropriate) Blower
drain valve Deck
seal drain valve b. Confirm
: Water level in deck seal unit. Water
supply to deck seal unit. |
|
Fresh air inlet valve CLOSED |
(6) a. It
should always be closed except when gasfreeing. |
|
I.G. supply valve OPEN |
(7) a.
Confirm : I.G. supply valve for individual tanks (if fitted). b.Closed
tank hatches, ullage ports, I.G. supply hatches and tank cleaning ports. |
|
Deck isolating valve OPEN |
(8) -- |
|
Blower inlet valve OPEN |
(9) |
|
Boiler up-take valve OPEN |
(10) a. Confirm
Opened completely. b. Confirm
Seal air valve closed. |
|
No. 1 (or No.2) blower START |
(11) a. Check
Blower operating normally. b.
Confirm Indication of ammeter normally. c.When
using two blowers, the 2nd blower should be started 30 seconds after the 1st blower is
started. |
|
Blower outlet valve OPEN |
(12) a.It
should be opened after blower is started. b.Confirm
: Pressure attained. On blower start up, I.G. is recirculated
automatically through the scrubber and recirculation line. |
|
Pressure
regulating valve OPEN |
(13) a. It
should be gradually opened. b.Check
: Blower dischargeO2 content and temperature. c.Bringing
up to required pressure. |
|
INERTING |
(14) Inert
Gas will be supplied into the tanks. |
B. Stopping procedure GeneralGeneral check & confirmation
|
INFORM Engine department |
(1)- - - |
|
Blower STOP |
(2)- - - |
|
Valves
of I.G. plant CLOSE |
(3) a.
Boiler up-take valve b.
Blower inlet valve c. Blower
outlet valve d. Pressure
regulating valve |
|
Deck
isolating valve CLOSE |
(4) - - - |
|
Deck
seal water level CONFIRM |
(5) a.
Confirm: By observing water level through sight glass. |
|
Cooling
down of scrubber CONFIRM |
(6) a. Keep
scrubber pump running after system shut down for about 30 minutes. |
|
Scrubber
water pump STOP |
(7) a.
Confirm Water seal level in scrubber by visual inspection through sight glass. |
|
O2
content Analyzer STOP |
8)- - - |
|
Control
panel switch OFF |
9)- - - |
General Precautions
1) Do
not start up the I.G.S. without first informing the engine control room. Keep
engine control room informed of start/stop requirements.
2) Inert
gas supply valve of each cargo tank should be kept open at all times except gas
freeing, tank repairing.
3) I.G.
supply valves should not be operated without permission of the duty officer (
it generally has an arrangement to lock the valves – key with duty officer). The
duty officer must pay careful attention to ensure the I.G. supply valves are
open before any cargo movement either by cargo pump or gravity.
It is important to be aware to recognize that
if I.G. supply valve is CLOSED and any cargo movement made, structural damage
could occur.
4) The
fresh air inlet valve must be kept closed at all times except when the I.G.
blower is being used for gas freeing.
5) Seal
water of deck seal unit should be supplied at all times whether the I.G.S. is
operating or not, to ensure the seal water is kept at the proper level. The
supply has one dedicated pump and a back up.
6)
The operator must confirm that the outlet valve of the I.G. blower is closed
before starting the I.G. blower.
(The
blower outlet valve will automatically be opened on certain maker's systems.)
7) Before
operating the I.G.S., the Supply of water into the Scrubber should be confirmed
by visual checking of the pressure gauge and/or flow meter. Blocked spray nozzles can result in
indicating the correct pressure but not the required flow. It is therefore
important to keep the spray nozzles clean.
8) The
liquid of the P/V breaker must be kept at a proper level at all times. The
gauge glass should have spring loaded valves.
9)
Prior starting the IGS the O2 analyser should be callibrated with Nitrogen.
While
operating the I.G.S., the duty engineer must check the flxed O2 analyzer by means
of comparing it with a measurement made by portable O2 meter from the blower
outlet.
10) The
impeller of the I.G. blower should be washed with fresh water as soon as possible
after each time the system has been used.
(This
is to prevent corrosion of the impeller and wash away soot deposits which might
cause imbalance of the impeller and excessive vibration.)
11)
The I.G. blower should be started by operating the switch installed beside the
blower.
12) There
are cases when the temperature of the blower outlet will rise during
recirculation of I.G.
------------------------------------------------------------------------------------------------------------------------------------------